產品分類
銷售熱線:400-800-8171
上海歐切斯實業有限公司
上海市閔行區蓮花南路1929號飛奧科創園309室
總部電話:021-61611461-8044
傳真號碼:021-61267005
郵箱:cnsales@euchips.com
DALI調光主控 DALI-200
供電:DALI總線和USB
消耗電流:2mA信號電流
輸入:1個USB
輸出信號:DALI控制信號
DALI協議:IEC62386/IEC60929
工作環境溫度:0-50℃
保護等級:IP20
凈重:200克
外形尺寸:108*72*23毫米(長*寬*高)
型號:DALI-200
- 產品詳細
- 需求訂購
- 規格書下載
- 認證下載
DALI主控 DALI-200產品詳情
產品特點
● 符合DALI協議IEC62386
● 支持軟件自動偵測主控設備連接
● 支持DALI協議自動分配短地址
● 支持所有設備地址重分配
● 實現對設備進行廣播、組或單地址控制操作
● 可以設置/讀取DALI協議參數表中所有的參數
● 可以實現分組,場景設置/讀取
● 預留DALI協議調試命令
技術參數
型號 |
DALI-200 |
供電 |
DALI總線和USB |
消耗電流 |
2mA信號電流 |
輸入 |
1個USB |
輸出信號 |
DALI控制信號 |
DALI協議 |
IEC62386/IEC60929 |
工作環境溫度 |
0-50℃ |
保護等級 |
IP20 |
凈重 |
200克 |
外形尺寸 |
108*72*23毫米(長*寬*高) |
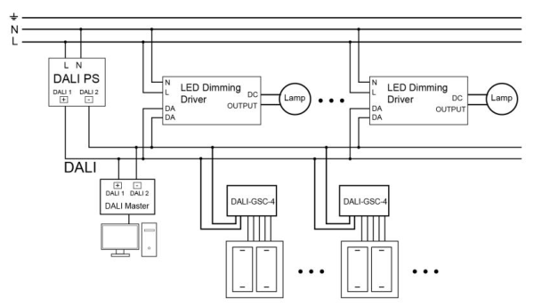
應用接線圖
-
DALI調光 主控制器DALI-P02 輸入電壓:16V
輸入電流:8mA
輸出信號:DALI控制信號
DALI協議:IEC62386/IEC60929
工作環境溫度:-10-50℃
保護等級:IP20
凈重:135克
外形尺寸:145*135*48毫米(長*寬*高)
型號:DALI-P02
-
DALI分組-場景控制器-DALI-GSC-4 供電電源:通過DALI總線供電
輸入:12‐20VDC
信號電流:2mA
輸出
4組分別調光/關/開(分組控制)
切換4個場景(場景控制)
型號:DALI-GSC-4